CN
Home
About Us
Products
News
Join Jinba
Contact
Home
About Us
Products
News
Join Jinba
Contact
EN
CN
DC-motors
Brushless motors
Reduction motors
Pump motors
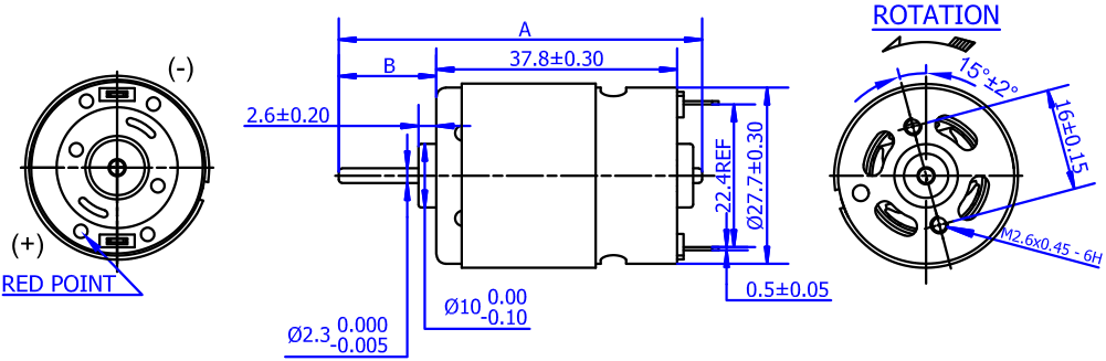
JBSD385PM
Use:
Description:
Details
Related recommendation
JBSD785PM
Use:
JBSD775PML
Use:
JBSD775PM-2
Use:
JBSD775PM-1
Use: